Horario L a J 7:00 a 17:00 y V 7:00 a 15:00
Síguenos en redes:

bases de datos

bases de datos de Extrusiones de Toledo

Dedicamos mucho esfuerzo a introducir y mantener los datos de los proveedores de perfiles de carpintería y herrajes. A continuación aparece el detalle de series de carpintería y herrajes del siguiente proveedor.

Dirección:
Autovía Madrid-Toledo, Km 63.8 (Subida Urb. Los Olivos) 45280 Olias del Rey (Toledo)
Teléfonos de contacto:
925 35 39 46
Web e email del proveedor:
www.extrusionesdetoledo.com [email protected]
Filtrar por Abatible, Corredera, Mallorquina o Plegable
  • Abatible
  • Corredera
  • Corredera Perimetral
  • Mallorquina
10
Abatible
8
Corredera
1
Corredera Perimetral
1
Mallorquina
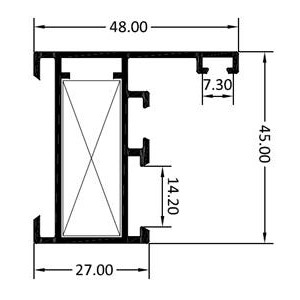
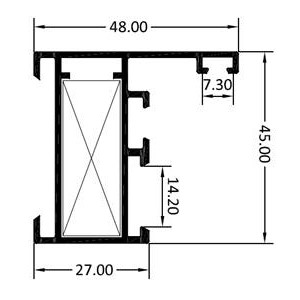
MALLORQUINA (RPT)
MALLORQUINA (RPT)
Serie Mallorquina:
MALLORQUINA (RPT)
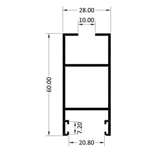
S. 4900 - CORR. EUROPEA 60 MM (RPT)
S. 4900 - CORR. EUROPEA 60 MM (RPT)
Serie Corredera:
S. 4900 - CORR. EUROPEA 60 MM (RPT)
Serie Corredera:
S.2000 - CORREDERA 60 MM (RPT)
S.3400 - CORR. EUROPEA 60 MM (RPT)
S.3400 - CORR. EUROPEA 60 MM (RPT)
Serie Corredera:
S.3400 - CORR. EUROPEA 60 MM (RPT)
S.3500 - CORR. EUROPEA 70 MM (RPT)
S.3500 - CORR. EUROPEA 70 MM (RPT)
Serie Corredera:
S.3500 - CORR. EUROPEA 70 MM (RPT)
S.3600 - EUR. ABISAGRADA 40 MM (RPT)
S.3600 - EUR. ABISAGRADA 40 MM (RPT)
Serie Abatible:
S.3600 - EUR. ABISAGRADA 40 MM (RPT)
S.3700 - CORREDERA PERIMETRAL (RPT)
S.3700 - CORREDERA PERIMETRAL (RPT)
Serie Corredera Perimetral:
S.3700 - CORREDERA PERIMETRAL (RPT)
S.5350 - CORR. EUROPEA 74 MM (RPT)
S.5350 - CORR. EUROPEA 74 MM (RPT)
Serie Corredera:
S.5350 - CORR. EUROPEA 74 MM (RPT)
S.5400 - EUR. ABISAGRADA 45 MM (RPT)
S.5400 - EUR. ABISAGRADA 45 MM (RPT)
Serie Abatible:
S.5400 - EUR. ABISAGRADA 45 MM (RPT)
S.5400 - SIN JUNQUILLO (RPT)
S.5400 - SIN JUNQUILLO (RPT)
Serie Abatible:
S.5400 - SIN JUNQUILLO (RPT)
S.5400- E. ABIS. 45 ESCAPARATE (RPT)
S.5400- E. ABIS. 45 ESCAPARATE (RPT)
Serie Abatible:
S.5400- E. ABIS. 45 ESCAPARATE (RPT)
S.5500 - CORR. EUROPEA 72 MM (RPT)
S.5500 - CORR. EUROPEA 72 MM (RPT)
Serie Corredera:
S.5500 - CORR. EUROPEA 72 MM (RPT)
S.5600 - EUR. ABISAGRADA 40 MM (RPT)
S.5600 - EUR. ABISAGRADA 40 MM (RPT)
Serie Abatible:
S.5600 - EUR. ABISAGRADA 40 MM (RPT)
S.5650 - CORR. EUROPEA 55 MM (RPT)
S.5650 - CORR. EUROPEA 55 MM (RPT)
Serie Corredera:
S.5650 - CORR. EUROPEA 55 MM (RPT)
SERIE 1000 ABATIBLE (RPT)
SERIE 1000 ABATIBLE (RPT)
Serie Abatible:
SERIE 1000 ABATIBLE (RPT)
SERIE 1200 ABATIBLE (RPT)
SERIE 1200 ABATIBLE (RPT)
Serie Abatible:
SERIE 1200 ABATIBLE (RPT)
SERIE PT-50 ROTURA (RPT)
Serie Abatible:
SERIE PT-50 ROTURA (RPT)
SERIE PT-60 ROTURA (RPT)
SERIE PT-60 ROTURA (RPT)
Serie Abatible:
SERIE PT-60 ROTURA (RPT)
Serie Abatible:
SERIE PT-70 ROTURA (RPT)
Serie Corredera:
SERIE S-70 CORREDERA (RPT)

Información Series de Perfiles:

Datos incluidos: Perfiles, accesorios, herrajes, medidas de corte y clasificaciones del Marcado CE (aire, agua, viento) para valorar y fabricar ventanas, puertas y cerramientos

Condiciones: La configuración de series y herrajes se ha realizado en base a la documentación disponible, presentada por el fabricante o por el cliente. Se trata de un servicio de introducción inicial de la información, que el usuario debe comprobar, completar y, en su caso, corregir. Debido a las singularidades del producto, no es técnicamente posible comprobar que todas las posibles combinaciones y diseños son correctos o conformes a las expectativas y peculiaridades de fabricación del cliente. Es por ello que el cliente debe comprobar y corregir los despieces si no se ajustan a su forma de fabricación.